г. Москва , Киевское шоссе, БП  "Румянцево", подъезд 11, этаж 7, офис 713г.

Badu 47/16

Badu 47/16

492.21 EUR
Добавить к сравнению

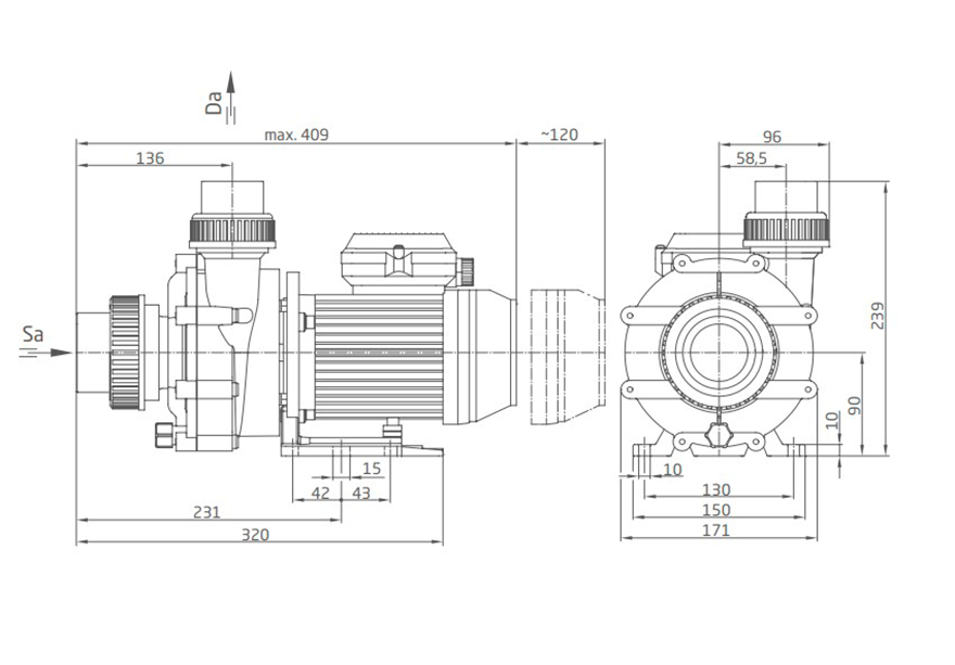
Насос блочного типа, с встроенным самоопорожнением и подачей 6 м³ /ч до 23 м³/ч идеально подойдет для гидромассажных ванн. Торцевое уплотнение находится на пластиковом носике рабочего колеса. Вал электромотора не соприкасается с водой бассейна. Имеется дополнительная эллектро изоляция. Артикул: 204.6150.038 

  • Материал изготовления
  • Корпус насоса: PP TV 40;
  • Крышка корпуса: PP GF 15;
  • Рабочее колесо: PPE GF 30;
  • Клеевая муфта: ABS;
  • Торцевое уплотнение: углеволокно/керамика/NBR;
  • Шурупы: латунь/инструментальная сталь;
  • Технические данные при 50 Hz:
  • Всас. Sa/нагнетание Da d4): 63/50;
  • Pекоменд. всас./нагнетание, PVC труба, d4): 50/50;
  • Потр. P1/полезная P21) (кВ) 1~ 230 V: 0,97/0,65;
  • Номинальный ток (A) 1~ 230 V: 4,70;
  • Напряжение: 1~ 230 V
  • Полезная мощность Pz: 0,65 кВ;

Поделиться в соц.сетях: